RS-485 Library
RS-485 is a multipoint communication which allows multiple devices to be connected to a single bus. The mikroC PRO for dsPIC30/33 and PIC24 provides a set of library routines for comfortable work with RS485 system using Master/Slave architecture. Master and Slave devices interchange packets of information. Each of these packets contains synchronization bytes, CRC byte, address byte and the data. Each Slave has unique address and receives only packets addressed to it. The Slave can never initiate communication.
It is the user’s responsibility to ensure that only one device transmits via 485 bus at a time.
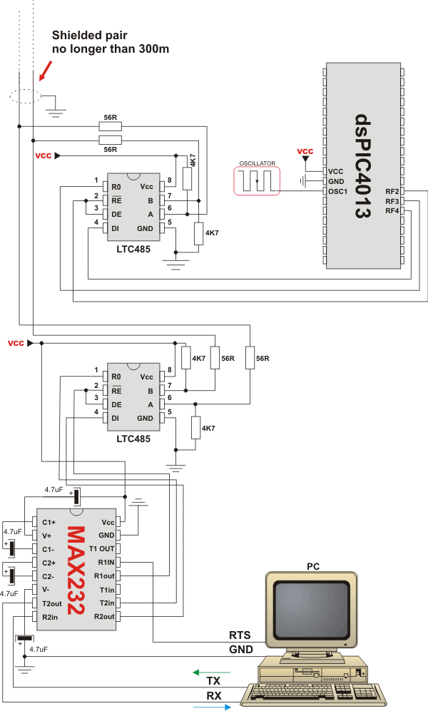
The RS-485 routines require the UART module. Pins of UART need to be attached to RS-485 interface transceiver, such as LTC485 or similar (see schematic at the bottom of this page).
- START byte value =
150 - STOP byte value =
169 - Address
50is the broadcast address for all Slaves (packets containing address50will be received by all Slaves except the Slaves with addresses150and169).
Important :
- The library uses the UART module for communication. The user must initialize the appropriate UART module before using the RS-485 Library.
- For MCUs with multiple UART modules it is possible to initialize them and then switch by using the UART_Set_Active routine.
Library Dependency Tree
External dependencies of RS-485 Library
| The following variable must be defined in all projects using RS-485 Library: | Description : | Example : |
|---|---|---|
extern sfr sbit RS485_rxtx_pin; |
Control RS-485 Transmit/Receive operation mode | sbit RS485_rxtx_pin at RF2_bit; |
extern sfr sbit RS485_rxtx_pin_direction; |
Direction of the RS-485 Transmit/Receive pin | sbit RS485_rxtx_pin_direction at TRISF2_bit; |
Library Routines
- RS485Master_Init
- RS485Master_Receive
- RS485Master_Send
- RS485Slave_Init
- RS485Slave_Receive
- RS485Slave_Send
RS485Master_Init
| Prototype |
void RS485Master_Init(); |
|---|---|
| Description |
Initializes MCU as a Master for RS-485 communication. |
| Parameters |
None. |
| Returns |
Nothing. |
| Requires |
External dependencies of the library from the top of the page must be defined before using this function.
|
| Example |
// RS485 module pinout sbit RS485_rxtx_pin_direction at RF2_bit; // transmit/receive control set to PORTC.B2 sbit RS485_rxtx_pin_direction at TRISF2_bit; // RxTx pin direction set as output // end RS485 module pinout ... UART1_Init(9600); // initialize UART1 module RS485Master_Init(); // intialize MCU as a Master for RS-485 communication |
| Notes |
None. |
RS485Master_Receive
| Prototype |
void RS485Master_Receive(char *data_buffer); |
|---|---|
| Description |
Receives messages from Slaves. Messages are multi-byte, so this routine must be called for each byte received. |
| Parameters |
The routine automatically adjusts |
| Returns |
Nothing. |
| Requires |
MCU must be initialized as a Master for RS-485 communication. See RS485Master_Init. |
| Example |
char msg[8]; ... RS485Master_Receive(msg); |
| Notes |
None. |
RS485Master_Send
| Prototype |
void RS485Master_Send(char *data_buffer, char datalen, char slave_address); |
|---|---|
| Description |
Sends message to Slave(s). Message format can be found at the bottom of this page. |
| Parameters |
|
| Returns |
Nothing. |
| Requires |
MCU must be initialized as a Master for RS-485 communication. See RS485Master_Init. It is the user’s responsibility to ensure (by protocol) that only one device sends data via 485 bus at a time. |
| Example |
char msg[8]; ... // send 3 bytes of data to Slave with address 0x12 RS485Master_Send(msg, 3, 0x12); |
| Notes |
None. |
RS485Slave_Init
| Prototype |
void RS485Slave_Init(char Slave_address); |
|---|---|
| Description |
Initializes MCU as a Slave for RS-485 communication. |
| Parameters |
|
| Returns |
Nothing. |
| Requires |
External dependencies of the library from the top of the page must be defined before using this function.
|
| Example |
// RS485 module pinout sbit RS485_rxtx_pin at RC2_bit; // transmit/receive control set to PORTC.B2 sbit RS485_rxtx_pin_direction at TRISC2_bit; // RxTx pin direction set as output // End of RS485 module pinout ... UART1_Init(9600); // initialize UART1 module RS485Slave_Init(160); // intialize MCU as a Slave for RS-485 communication with address 160 |
| Notes |
None. |
RS485Slave_Receive
| Prototype |
void RS485Slave_Receive(char *data_buffer); |
|---|---|
| Description |
Receives messages from Master. If Slave address and Message address field don't match then the message will be discarded. Messages are multi-byte, so this routine must be called for each byte received. |
| Parameters |
The routine automatically adjusts |
| Returns |
Nothing. |
| Requires |
MCU must be initialized as a Slave for RS-485 communication. See RS485Slave_Init. |
| Example |
char msg[8]; ... RS485Slave_Read(msg); |
| Notes |
None. |
RS485Slave_Send
| Prototype |
void RS485Slave_Send(char *data_buffer, char datalen); |
|---|---|
| Description |
Sends message to Master. Message format can be found at the bottom of this page. |
| Parameters |
|
| Returns |
Nothing. |
| Requires |
MCU must be initialized as a Slave for RS-485 communication. See RS485Slave_Init. It is the user’s responsibility to ensure (by protocol) that only one device sends data via 485 bus at a time. |
| Example |
char msg[8]; ... // send 2 bytes of data to the Master RS485Slave_Send(msg, 2); |
| Notes |
None. |
Library Example
This is a simple demonstration of RS485 Library routines usage.
Master sends message to Slave with address 160 and waits for a response. The Slave accepts data, increments it and sends it back to the Master. Master then does the same and sends incremented data back to Slave, etc.
Master displays received data on PORTB, while error on receive (0xAA) and number of consecutive unsuccessful retries are displayed on PORTD. Slave displays received data on PORTB, while error on receive (0xAA) is displayed on PORTD. Hardware configurations in this example are made for the EasydsPIC4A board and 30f4013.
RS485 Master code:
sbit rs485_rxtx_pin at RF2_bit; // set transcieve pin
sbit rs485_rxtx_pin_direction at TRISF2_bit; // set transcieve pin direction
char dat[10]; // buffer for receving/sending messages
char i,j;
// Interrupt routine
void interrupt() org IVT_ADDR_U2RXINTERRUPT {
RS485Master_Receive(dat);
U2RXIF_bit = 0; // ensure interrupt not pending
}
void main(){
long cnt = 0;
ADPCFG = 0xFFFF;
PORTB = 0;
PORTD = 0;
TRISB = 0;
TRISD = 0;
UART2_Init(9600); // initialize UART2 module
Delay_ms(100);
RS485Master_Init(); // initialize MCU as Master
dat[0] = 0xAA;
dat[1] = 0xF0;
dat[2] = 0x0F;
dat[4] = 0; // ensure that message received flag is 0
dat[5] = 0; // ensure that error flag is 0
dat[6] = 0;
RS485Master_Send(dat,1,160);
URXISEL1_U2STA_bit = 0;
URXISEL1_U2STA_bit = 0;
NSTDIS_bit = 1; // no nesting of interrupts
U2RXIF_bit = 0; // ensure interrupt not pending
U2RXIE_bit = 1; // enable intterupt
while (1){
// upon completed valid message receiving
// data[4] is set to 255
cnt++;
if (dat[5]) { // if an error detected, signal it
PORTD = 0xAA; // by setting portd to 0xAA
}
if (dat[4]) { // if message received successfully
cnt = 0;
dat[4] = 0; // clear message received flag
j = dat[3];
for (i = 1; i <= dat[3]; i++) { // show data on PORTB
PORTB = dat[i-1];
} // increment received dat[0]
dat[0] = dat[0]+1; // send back to master
Delay_ms(1);
RS485Master_Send(dat,1,160);
}
if (cnt > 100000) {
PORTD ++;
cnt = 0;
RS485Master_Send(dat,1,160);
if (PORTD > 10) // if sending failed 10 times
RS485Master_Send(dat,1,50); // send message on broadcast address
}
}
// function to be properly linked.
}
RS485 Slave code:
sbit rs485_rxtx_pin at RF2_bit; // set transcieve pin
sbit rs485_rxtx_pin_direction at TRISF2_bit; // set transcieve pin direction
char dat[9]; // buffer for receving/sending messages
char i,j;
// Interrupt routine
void interrupt() org IVT_ADDR_U2RXINTERRUPT{
RS485Slave_Receive(dat);
U2RXIF_bit = 0; // ensure interrupt not pending
}
void main() {
ADPCFG = 0xFFFF;
PORTB = 0;
PORTD = 0;
TRISB = 0;
TRISD = 0;
UART2_Init(9600); // initialize UART2 module
Delay_ms(100);
RS485Slave_Init(160); // Intialize MCU as slave, address 160
dat[0] = 0xAA;
dat[1] = 0xF0;
dat[2] = 0x0F;
dat[4] = 0; // ensure that message received flag is 0
dat[5] = 0; // ensure that error flag is 0
dat[6] = 0;
URXISEL1_U2STA_bit = 0;
URXISEL1_U2STA_bit = 0;
NSTDIS_bit = 1; // no nesting of interrupts
U2RXIF_bit = 0; // ensure interrupt not pending
U2RXIE_bit = 1; // enable intterupt
while (1) {
if (dat[5]) { // if an error detected, signal it by
PORTD = 0xAA; // setting portd to 0xAA
dat[5] = 0;
}
if (dat[4]) { // upon completed valid message receive
dat[4] = 0; // data[4] is set to 0xFF
j = dat[3];
for (i = 1; i <= dat[3];i++){
PORTB = dat[i-1];
}
dat[0] = dat[0]+1; // increment received dat[0]
Delay_ms(1);
RS485Slave_Send(dat,1); // and send it back to master
}
}
}
HW Connection

Example of interfacing PC to dsPIC MCU via RS485 bus with LTC485 as RS-485 transceiver
Message format and CRC calculations
Q: How is CRC checksum calculated on RS485 master side?
START_BYTE = 0x96; // 10010110
STOP_BYTE = 0xA9; // 10101001
PACKAGE:
--------
START_BYTE 0x96
ADDRESS
DATALEN
[DATA1] // if exists
[DATA2] // if exists
[DATA3] // if exists
CRC
STOP_BYTE 0xA9
DATALEN bits
------------
bit7 = 1 MASTER SENDS
0 SLAVE SENDS
bit6 = 1 ADDRESS WAS XORed with 1, IT WAS EQUAL TO START_BYTE or STOP_BYTE
0 ADDRESS UNCHANGED
bit5 = 0 FIXED
bit4 = 1 DATA3 (if exists) WAS XORed with 1, IT WAS EQUAL TO START_BYTE or STOP_BYTE
0 DATA3 (if exists) UNCHANGED
bit3 = 1 DATA2 (if exists) WAS XORed with 1, IT WAS EQUAL TO START_BYTE or STOP_BYTE
0 DATA2 (if exists) UNCHANGED
bit2 = 1 DATA1 (if exists) WAS XORed with 1, IT WAS EQUAL TO START_BYTE or STOP_BYTE
0 DATA1 (if exists) UNCHANGED
bit1bit0 = 0 to 3 NUMBER OF DATA BYTES SEND
CRC generation :
----------------
crc_send = datalen ^ address;
crc_send ^= data[0]; // if exists
crc_send ^= data[1]; // if exists
crc_send ^= data[2]; // if exists
crc_send = ~crc_send;
if ((crc_send == START_BYTE) || (crc_send == STOP_BYTE))
crc_send++;
NOTE: DATALEN<4..0> can not take the START_BYTE<4..0> or STOP_BYTE<4..0> values.
What do you think about this topic ? Send us feedback!




